Ficha Técnica – Soportes UCF (Unidad de Brida Cuadrada)
Los soportes UCF son unidades de rodamiento con brida cuadrada de 4 tornillos, diseñadas para alojar un rodamiento autoalineable tipo UC. Se utilizan ampliamente en maquinaria industrial, agrícola y transportes.
1. Materiales y Construcción
Cuerpo del soporte
Rodamiento insertado (UC)
Sellos
Lubricación
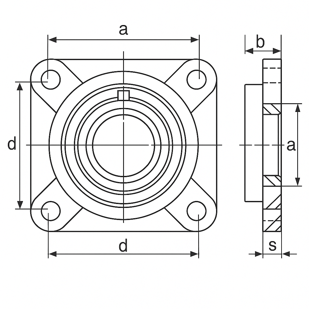
2. Dimensiones Generales (Serie UCF)
Las dimensiones varían según el diámetro del eje (d).
Ejemplos típicos (Elesa+Ganter):
(Valores representativos; pueden variar según marca.)
3. Características de Funcionamiento
4. Capacidades de Carga (Ejemplo Timken – Serie UC)
5. Variantes Disponibles
Según fabricante (Elesa+Ganter):
Según Timken:
6. Aplicaciones Típicas

| 1 cuota de $0,00 sin interés | CFT: 0,00% | TEA: 0,00% | Total $0,00 |
| 1 cuota de $0,00 sin interés | CFT: 0,00% | TEA: 0,00% | Total $0,00 |
